全国2008年7月高等教育自学考试结构力学(二)试
《自考视频课程》名师讲解,轻松易懂,助您轻松上岸!低至199元/科!
全国2008年7月高等教育自学考试结构力学(二)试题
课程代码:02439
一、单项选择题(本大题共15小题,每小题2分,共30分)
在每小题列出的四个备选项中只有一个是符合题目要求的,请将其代码填写在题后的括号内.错选、多选或未选均无分.
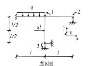
1.考虑轴向变形,图示结构用矩阵位移法求解时位移编码个数为( ) 
A.2
B.3
C.4
D.5
2.图示简支梁QK的影响线为( ) 
3.位移法典型方程中的系数kij=kji反映了( )
A.位移互等定理
B.反力互等定理
C.位移反力互等定理
D.边界互等定理
4.欲减小图示结构的自振频率,可采取的措施有( )
A.减小质量m
B.增大刚度EI
C.将B支座改为固定端
D.去掉B支座
5.图示连续梁MF影响线在C点的竖距为( )
A.0
B.
C.
D. l
6.忽略轴向变形图示结构用位移法求解时,基本位移未知量个数为( ) 
A.2
B.3
C.4
D.5
7.图示平面刚架一般单元
结点发生单位转角,则
结点处的力F=( ) 
A.
B. 
C.
D.0
8.忽略轴向变形时,图示结构等效荷载列向量可表示为( ) 
A.
B. 
C. 
D. 

9.已知材料屈服极限σs=300MPa,结构截面形状如图所示,则极限弯矩Mu=( )
A.20kN·m
B.25kN·m
C.30kN·m
D.35kN·m
10.图(a)所示结构的力法基本体系如图(b)所示,则力法方程δ11X1+△1C=-θ中△1C=( )
A.-△/l
B.△/l
C.θ
D. θ 
11.平面桁架单元的坐标转换矩阵可表示为( )
A.
B. 
C.
D. 
12.温度改变时,超静定结构会产生内力,下列说法正确的是( )
A.内力与杆件刚度无关
B.内力与温度值有关,与温度改变量无关
C.内力与杆件温度膨胀系数无关
D.一侧温度上升,一侧温度下降,则温度下降一侧受拉
13.单自由度体系无阻尼情况下最大静位移为yst,突加荷载引起的最大动位移ymax=( )
A.yst
B.2yst
C.3yst
D.0
14.图示串联弹簧结构的自振频率为( ) 
A.
B. 
C.
D. 
15.图示等截面超静定梁的极限荷载Pu=( ) 
[1]
本文标签:福建自考 历年真题 全国2008年7月高等教育自学考试结构力学(二)试
转载请注明:文章转载自(http://www.fujianzikao.com)
《福建自考网》免责声明:
1、由于各方面情况的调整与变化,本网提供的考试信息仅供参考,考试信息以省考试院及院校官方发布的信息为准。
2、本网信息来源为其他媒体的稿件转载,免费转载出于非商业性学习目的,版权归原作者所有,如有内容与版权问题等请与本站联系。联系邮箱:812379481@qq.com。









