全国2009年10月高等教育自学考试计算机原理试题
《自考视频课程》名师讲解,轻松易懂,助您轻松上岸!低至199元/科!
全国2009年10月高等教育自学考试计算机原理试题
课程代码:02384
一、单项选择题(本大题共15小题,每小题2分,共30分)
在每小题列出的四个备选项中只有一个选项是符合题目要求的,请将其代码填写在题后的括号内.错选、多选或未选均无分.
l、以下软件中,属于应用软件的是( )
A、操作系统
B、编译程序
C、办公软件
D、数据库软件
2、设或非门的输入端为A、B和C,其输出端为F.若输出端的逻辑值为F=1,则输入端A、B和C的逻辑值是( )
A、A=0,B=0,C=0
B、A=1,B=0,C=1
C、A=1,B=1,C=0
D、A=1,B=1,C=1
3、设半加器的输入端为A和B,其和数输出端为S,进位输出端为C.若输出结果为S=0,C=1,则输入端A和B的值是( )
A、A=0,B=0
B、A=0,B=1
C、A=1,B=0
D、A=1,B=1
4、以下属于汉字输入编码中的字形编码的是( )
A、区位码
B、点阵式字形码
C、字形矢量编码
D、五笔字型码
5、汉字机内码国家标准的特点是( )
A、每个汉字的编码为8位
B、与ASCII码兼容
C、每个汉字的编码为7位
D、与扩展的ASCII码兼容
6、两个6位定点小数做变形(两个符号位)补码加法运算后,运算结果为11.00000,这表示 ( )
A、和为1
B、和为-1
C、和为0
D、运算结果溢出
7、FFH是两位十六进制数,欲将一个8位的寄存器A中的各位取反,应执行的操作是( )
A、(A)-FFH→A
B、(A)∨FFH→A
C、(A)∧FFH→A
D、(A)ÅFFH→A
8、计算机指令系统的高效率主要表现在( )
A、格式丰富、功能齐全
B、操作码短、地址码长
C、占用存储空间小、执行速度快
D、操作码长、地址码短
9、实现清除指定位上的值的指令属于( )
A、逻辑运算指令
B、算术运算指令
C、移位操作指令
D、字符串处理指令
10、CPU严格按程序规定的顺序来执行指令序列,这种功能属于( )
A、操作控制
B、时间控制
C、数据加工
D、程序控制
11、如果把存储器分为非易失性存储器和易失性存储器,这种分类方法是( )
A、按存储介质分类
B、按存取方式分类
C、按信息的可保护性分类
D、按位置和功能分类
12、存储器的地址寄存器、译码器与驱动器合称为( )
A、存储体
B、存储器的寻址系统
C、存储器的读写系统
D、存储体的核心
13、输入输出指令的功能不包括( )
A、置位或复位I/O设备中的某些控制寄存器
B、测试I/O设备的状态
C、传送数据
D、开关I/O设备电源
14、输入输出接口的作用不包括( )
A、实现数据缓冲
B、解释执行I/O指令
C、实现数据格式的转换
D、提供I/O设备和接口的状态
15、与针式点阵打印机相比,喷墨打印机( )
A、噪声小、分辨率高
B、噪声小、分辨率低
C、噪声大、分辨率高
D、噪声大、分辨率低
二、填空题(本大题共10小题,每小题2分,共20分)
请在每小题的空格中填上正确答案.错填、不填均无分.
16、将计算机分解为五大部件并采用二进制数据表示和存储程序的计算机模型称为________.
17、设RS型触发器的输入端为R和S,输出端为
18、用矩形、三角形、直线等基本形状表示的计算机图形称为________.
19、在每个操作数都采用两个符号位的补码加减法中,当运算结果的两个符号位代码等于________时表示负溢出.
20、在原码一位除法中,若被除数的符号用Xf表示,除数为负数,那么商的符号为________.
21、执行一条指令时所用到的操作数的实际地址称为________.
22、CPU从内存中取出一条指令,先将其存入数据缓冲寄存器,再传送到________寄存器后,才能分析执行该指令.
23、存储器进行两次连续、独立的读(或写)操作所需的时间间隔称为________.
24、外围设备的编址方式有两种,一是外围设备单独编址,一是将外围设备与________统一编址.
25、中断寄存器中的每一位(中断位)对应一个________.相应的中断发生时,该中断位为"1",表示有中断请求.
三、计算题(本大题共5小题,每小题4分,共20分)
26、化简逻辑式
.
27、写出十进制数350在计算机中的浮点数形式,设阶码取6位(含一位符号位)补码,尾数为10位(含一位符号位)原码.
28、已知X=-0.10101,Y=0.00110,要求用补码减法运算求X-Y,并给出运算过程.
29、试分别写出以下运算的结果:
(1)对8位补码操作数1001 1011算术左移一位;
(2)对8位补码操作数1001 1011算术右移一位;
(3)对8位操作数1001 1011逻辑左移一位;
(4)对8位操作数1001 1011逻辑右移一位.
30、设存储器的地址寄存器为20位,数据寄存器的位数(数位线)为16.试问其存储容量为多少?
四、简答题(本大题共7小题,第31、32、34、35、36小题各4分,第33、37小题各5分,共30分)
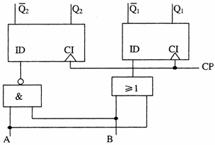
3l、设在如题31图所示的电路中,A输入1电位,B输入0电位.那么CP端由O电位跳
变到1电位后触发器Ql和Q2的状态是什么?
题31图
32、与定点表示法相比较,浮点数表示法有哪两个明显优点?
33、奇偶校验码能发现编码中多少位错误?为什么不能纠正错误?
34、请写出组成运算器的四个主要部件.
35、简单的微操作可以描述为:
控制函数:微操作
例如FT1:A←A∨B.
试说明微操作的执行所必须的四个先决条件.
36、Cache是什么存储器?为了保证写入时主存和Cache的内容一致,可能有哪三种方法可以采用?
37、输入输出接口可以按多种方式分类,试问:
(1)按接口与设备之间的数据传输宽度可以将接口分为哪两类?
(2)按数据传送的控制方式可以将接口分为哪三类?
本文标签:福建自考 工学类 全国2009年10月高等教育自学考试计算机原理试题
转载请注明:文章转载自(http://www.fujianzikao.com)
《福建自考网》免责声明:
1、由于各方面情况的调整与变化,本网提供的考试信息仅供参考,考试信息以省考试院及院校官方发布的信息为准。
2、本网信息来源为其他媒体的稿件转载,免费转载出于非商业性学习目的,版权归原作者所有,如有内容与版权问题等请与本站联系。联系邮箱:812379481@qq.com。









